LOGO BSH 3.png

Quem somos

Fundada em 2019, a BSH Engenharia tem uma equipe de engenheiros e técnicos com grande experiência e vivência de mercado, prontos para dar a melhor solução para seu problema.

 

Atuamos com:

 

  • PCIP - Projeto de Combate e Incêndio e Pânico (AVCB) ;

 

  • Treinamentos em geral de segurança (NRs);

 

  • Projetos mecânicos de máquinas e equipamentos;

 

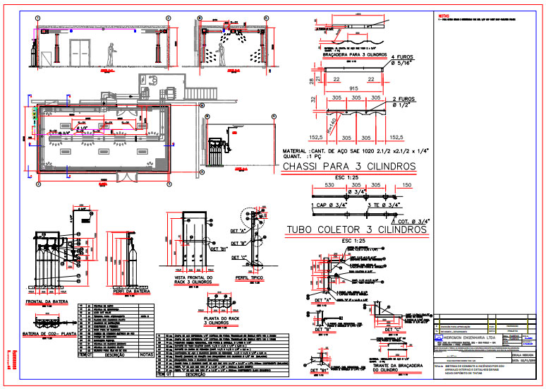
  • Detalhamento de projetos;

 

  • Cálculo estrutural de elementos mecânicos e estruturas metálicas;

 

  • Analise de elementos finitos (FEA);

 

  • Projetos e inspeção de tanques, caldeiras e vasos de pressão;

 

  • Adequação NR10, NR12, NR13, NR18, NR24 e NR35;

 

  • COnsultoria completa de segunça do trabalho.

 

contato@bshengenharia.com.br

(31) 99383-2793